產品分類
-
【產品名稱】 高強度鍍鋅螺栓
【所屬分類】 高強度鍍鋅螺栓 【標準編號】 A325,A490M,A307,DIN7990,DIN931等 【規格尺寸】 直徑M10-M52/長度25-500mm 【品牌名稱】 華隆 HUALONG 【生產廠家】 寧波市鎮海華隆緊固件有限公司
產品詳情
高強度鍍鋅螺栓廠家華隆緊固件特價供應高強度鍍鋅螺栓,鍍鋅種類有黃鋅、彩鋅、藍白鋅等,產品標準、規格種類齊全。高強度鍍鋅螺栓的表面經過了鍍鋅處理,且螺栓的強度等級≥8.8級,根據鍍鋅方式的不同可以分為高強度熱鍍鋅螺栓和高強度冷鍍鋅螺栓。鍍鋅的目的是為了極大的提高高強度螺栓的防腐蝕性能,該種類的螺栓多應用于制造行業中的機械設備。
寧波華隆緊固件是一家專業研發、生產高強度鍍鋅螺栓(熱鍍鋅為主)、高強度內外六角螺栓、高強度發黑螺栓、高強度達克羅螺栓等產品的知名生產廠家。

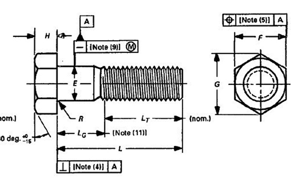
高強度鍍鋅螺栓結構圖



