產品分類
-
【產品名稱】 工程機械螺栓
【所屬分類】 工程機械螺栓 【標準編號】 【規格尺寸】 【品牌名稱】 華隆 HUALONG 【生產廠家】 寧波市鎮海華隆緊固件有限公司
產品詳情
寧波華隆緊固件專業供應各種高品質工程機械專用螺栓、螺母,包括各種等級的普通螺栓與高強度螺栓,產品標準有國標、英標、美標和日標等,規格種類多,質量可靠,價格便宜,歡迎意向客戶來電咨詢。
工程機械螺栓的用途非常廣泛,主要用于各種重工業中的大型機械設備、汽車、造船等相關行業。

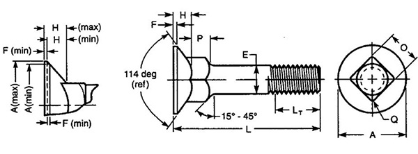
工程機械螺栓結構圖